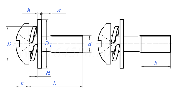
GB 9074.4 弹簧垫平垫M3X20组合十字槽盘头螺钉下载

本资料下载将需要您支付1工分,请扫马支付。

如若付款完成没有下载,可点击此处 手动下载

如需帮助请拨打在线电话:131 2208 2258

如需要经常下载文件,充值VIP更划算

首页 / 图纸库 / GB 9074.4 弹簧垫平垫M3X20组合十字槽盘头螺钉

GB 9074.4 弹簧垫平垫M3X20组合十字槽盘头螺钉

三维预览

图片预览

发布时间:2025-09-25 11:36

GB 9074.4 弹簧垫平垫M3X20组合十字槽盘头螺钉
GB 9074.4 弹簧垫平垫M3X20组合十字槽盘头螺钉
描述

GB 9074.4 弹簧垫平垫M3X8组合十字槽盘头螺钉     GB 9074.4 弹簧垫平垫M3X10组合十字槽盘头螺钉

GB 9074.4 弹簧垫平垫M3X12组合十字槽盘头螺钉  GB 9074.4 弹簧垫平垫M3X14组合十字槽盘头螺钉

GB 9074.4 弹簧垫平垫M3X16组合十字槽盘头螺钉  GB 9074.4 弹簧垫平垫M3X20组合十字槽盘头螺钉

GB 9074.4 弹簧垫平垫M3X25组合十字槽盘头螺钉  GB 9074.4 弹簧垫平垫M3X30组合十字槽盘头螺钉

GB 9074.4 弹簧垫平垫M4X10组合十字槽盘头螺钉  GB 9074.4 弹簧垫平垫M4X12组合十字槽盘头螺钉

GB 9074.4 弹簧垫平垫M4X14组合十字槽盘头螺钉  GB 9074.4 弹簧垫平垫M4X16组合十字槽盘头螺钉

GB 9074.4 弹簧垫平垫M4X20组合十字槽盘头螺钉  GB 9074.4 弹簧垫平垫M4X25组合十字槽盘头螺钉

GB 9074.4 弹簧垫平垫M4X30组合十字槽盘头螺钉  GB 9074.4 弹簧垫平垫M4X35组合十字槽盘头螺钉

GB 9074.4 弹簧垫平垫M4X40组合十字槽盘头螺钉  GB 9074.4 弹簧垫平垫M5X12组合十字槽盘头螺钉

GB 9074.4 弹簧垫平垫M5X14组合十字槽盘头螺钉  GB 9074.4 弹簧垫平垫M5X16组合十字槽盘头螺钉

GB 9074.4 弹簧垫平垫M5X20组合十字槽盘头螺钉  GB 9074.4 弹簧垫平垫M5X25组合十字槽盘头螺钉
GB 9074.4 弹簧垫平垫M5X30组合十字槽盘头螺钉  GB 9074.4 弹簧垫平垫M5X35组合十字槽盘头螺钉

GB 9074.4 弹簧垫平垫M5X40组合十字槽盘头螺钉  GB 9074.4 弹簧垫平垫M5X45组合十字槽盘头螺钉

GB 9074.4 弹簧垫平垫M6X14组合十字槽盘头螺钉  GB 9074.4 弹簧垫平垫M6X16组合十字槽盘头螺钉

GB 9074.4 弹簧垫平垫M6X20组合十字槽盘头螺钉  GB 9074.4 弹簧垫平垫M6X25组合十字槽盘头螺钉

GB 9074.4 弹簧垫平垫M6X30组合十字槽盘头螺钉  GB 9074.4 弹簧垫平垫M6X35组合十字槽盘头螺钉

GB 9074.4 弹簧垫平垫M6X40组合十字槽盘头螺钉  GB 9074.4 弹簧垫平垫M6X45组合十字槽盘头螺钉

GB 9074.4 弹簧垫平垫M6X50组合十字槽盘头螺钉


所包含的文件

GBT 9074_o_1j5veluud169u14un1sd94401cpub.stp

stp

1.01MB

区域代理请留下联系方式